壓力變送器

一、壓力變送器概述
智能數顯壓力變送器是我公司推出的一款高穩定性的智能化數顯變送器產品,適用于壓力實時測量和顯示。采用專用傳感器調理電路,結合國際**的壓阻式壓力變送器設計制造技術,同時可輸出符合標準MODBUS-RTU協議的壓力和溫度信號。應用于環境比較惡劣的露天現場,同時要求能夠現場觀測壓力顯示、需要零點遷移和量程調節的場合。適用于石油、化工、冶金、電力、輕工、紡織、建材、水文地質、食品、醫藥、環境控制等行業的過程控制和壓力測量。

二、壓力變送器主要技術指標
測量范圍:-100kPa…0kPa~10kPa…100MPa
壓力類型:表壓、絕壓、密封表壓
過 壓:1.5倍滿量程壓力/ 110MPa(取*小值)
精 度:±0.5%FS
長期穩定性:±0.3%FS/年
零點溫度誤差:≤±0.04%FS/℃ (≤100kPa) ;≤±0.03%FS/℃ (>100kPa)
滿度溫度誤差:≤±0.04%FS/℃ (≤100kPa) ;≤±0.03%FS/℃ (>100kPa)
輸出信號:RS485接口(MODBUS-RTU協議)
額定工作溫度: -10℃~60℃
測溫誤差:±2℃(溫度功能為選配)
極限工作溫度: -30℃~85℃
貯存溫度: -40℃~85℃
供電電源: 9V~28V DC
顯示方式: 4位0.36``數碼管
顯示范圍: -1999 ~ 9999
絕緣電阻: 100V,100M
振 動: 5g,10Hz~200Hz
沖 擊: 20g,11ms
防護等級: IP65
重 量: 約900g
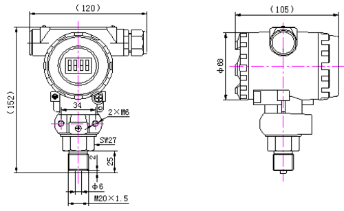
三、壓力變送器外形結構


跟此產品相關的產品 / Related Products
電話:0517-80218857
郵箱:1148173107@qq.com
地址:淮安市金湖縣塔集鎮閔橋工業集中區158號




